#204 Barometer I2C Brick
Overview
大気圧センサを使用したBrickです。
I2Cでデータを取得できます。
Connecting
I2Cコネクタへ接続します。

MPL115A2 Datasheet
| Document |
|---|
| MPL115A2 Datasheet |
Register
| Slave Address |
|---|
| 0x60 |
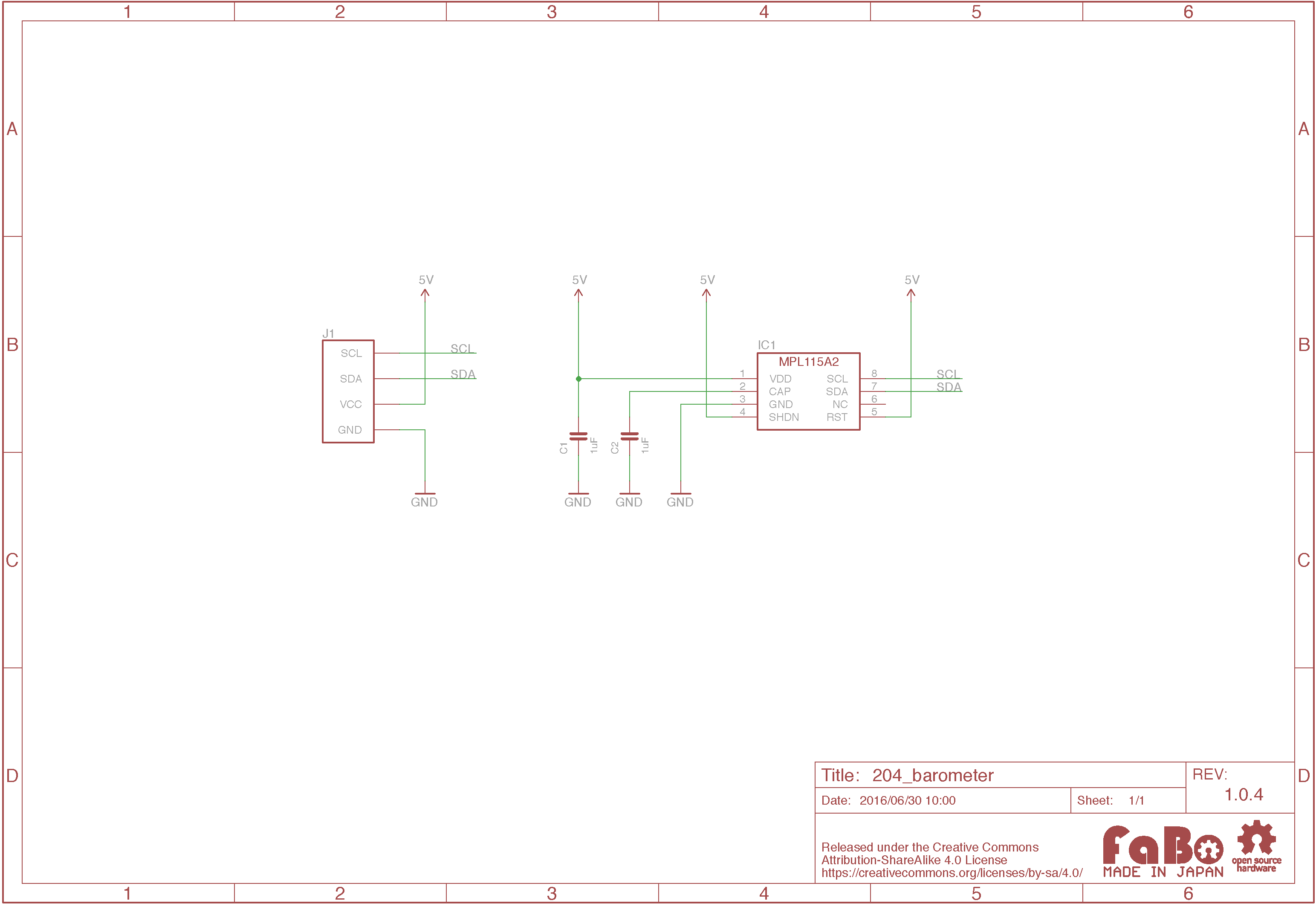
Schematic

Library


ライブラリ名:「FaBo 204 Baromter MPL115A2」
Sample Code
I2Cコネクタに接続したBarometer Brickより、気圧、温度、標高212mの気圧を取得し、シリアルモニタに出力します。
/**
@file barometer.ino
@brief This is an Example for the FaBo Barometer I2C Brick.
http://fabo.io/204.html
Released under APACHE LICENSE, VERSION 2.0
http://www.apache.org/licenses/
@author FaBo<[email protected]>
*/
#include <Wire.h>
#include <FaBoBarometer_MPL115.h>
FaBoBarometer faboBarometer;
void setup() {
Serial.begin(9600);
Serial.println();
Serial.println("RESET");
faboBarometer.begin();
}
void loop() {
// 温度を表示
Serial.print("Temp: ");
Serial.println(faboBarometer.readTemp());
// 海面気圧を表示
Serial.print("hPa: ");
Serial.println(faboBarometer.readHpa());
// readHpa()に標高を渡す
Serial.print("hPa: ");
// 会津若松市の標高:212.0m
Serial.println(faboBarometer.readHpa(212.0));
delay(1000);
}
Parts
- Freescale(NXP) MPL115A2